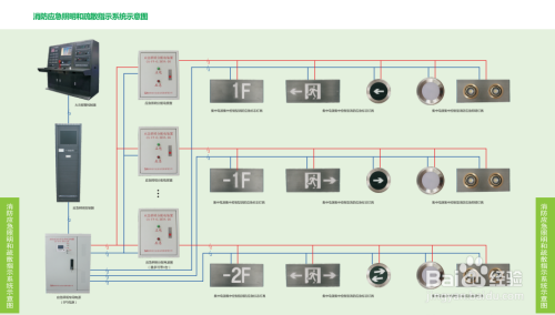
GA-C-0.3KVA-24智能应急照明和疏散指示系统通过对应急指示灯安全性能全方位的实时监测和动态分析,在火灾发生时,能够针对风向、就近出口、火灾的走向、人群密度做出快速分析判断,计算出最安全的疏散指示路径,打开消防应急标志灯的对应指示方向以及应急照明灯,帮助建筑内的人员正确选择最适宜逃生路线,顺利快速逃生。最大限度的保障群众的人身安全,为生命撑起一片“保护伞”,解决商家担心的安全问题。 消防应急照明和疏散指示系统由系统控制器(主机)、集中电源(供电),区域配电装置(分机)和应急灯具(疏散指示灯具、应急照明灯具)等部分组成。

方法/步骤
-
1
1.系统监控功能 监控所有终端设备包括:应急电源、区域配电装置、应急照明灯具、应急疏散指示标志。 控制器可以监控所有系统内部组件的工作状态,应急启动。

-
2
2.应急逃生功能 在灾情发生时,根据所处的环境状态,例如空气密度、人员密集度分析结果,导入平面地图、 疏散设备信息和火灾报警点信息,打开应急照明,动态绘制逃生路线,正确指示疏散方向,开启一条最有利的逃生通道,帮助建筑内的人群迅速撤离现场。系统显示功能 能实时监视和显示主、备电源的工作状态、电池充电状态、故障状态以及输出电压、输出电流;监视和显示区域配电装置运行状态。

-
3
3.消防联动功能 应急照明和疏散指示系统与火灾自动报警系统产品无缝对接,当发生火灾时,消防联动系统发出指令,第一时间得到火灾信息,系统自动计算逃生路线。同时也可以通过手动方式进入应急状态。导向光流功能 根据火灾火灾时的优化计算最有疏散方向,顺序闪亮有关疏散指示灯具,形成导向光流,引导人员快速疏散。

-
4
4.自检功能 自检功能分为常规自检、月检和年检,定期检查电路故障,消除安全隐患。其中常规自检方式为所有指示灯闪亮、显示器、音响器件发声;月检方式为上电24H后,每隔30±2天应急工作30~180秒;年检方式为每年应急工作30min。超长供电 实现主/备电源的自动转换,备电可工作不少于3小时。故障处理 当电路中发生欠压、短路、断路等情况时,控制器会发出故障声、光信号,并在显示屏上指示出发生故障的路段和故障类型。易维护操作 人机交互的图形操作界面,界面清晰美观,实时图标形象生动的显示每个区域的终端设备的工作状态和疏散方向;支持历史信息一键查询等功能。权限管理功能 控制器设置多级权限管理功能,非授权人员不能相应操作。
END
文章评论