N588D是一款具有单片机内核的语音芯片,因此,可以冠名为N588D系列语音单片机。N588D系列语音单片机能通过配套软件N588D voiceChip轻而易举的做到语音组合播放、插入完美的陶冶静音。静音的时长控制得绝无丝毫误差!可控制的语音地址位能达到220个!每个地址位里能加载可组合语音为128段语音!下面来介绍它的应用电路。

N588D-18P按键控制PWM输出应用电路
-
1
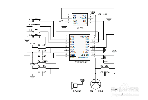
软件设置:按键控制模式。
-
2
控制端口定义:选取控制端口P00、P01、P02、P03作为触发口,在编辑N588D语音工程时,把触发口的按键定义为可触发播放的触发方式,就可进行工作。
-
3
BUSY输出:P17为BUSY忙信号输出端,可从上位机软件端设置为播放状态输出为高电平或低电平。高电平时电压接近VDD供电电压。用于接发光二极管做放音状态指示或忙信号判断。
-
4
供电电压:VDD=DC2.8~5.5V,VCC=DC2.8~3.6V。采用DC3.3V供电时,可以直接短接VDD跟VCC,采用DC5V供电时,VDD端接5V,VCC端需要从VDD端串接两个二极管以提供工作电压。
-
5
音频输出:PWM输出方式,直接接扬声器。此种输出方式下,PWM+、PWM-均不能短接到地或者接电阻电容到地。
END
N588D-18P按键控制DAC输出(接三极管)应用电路
-
1
软件设置:按键控制模式。
-
2
控制端口定义:选取控制端口P00、P01、P02、P03作为触发口,在编辑N588D语音工程时,把触发口的按键定义为可触发播放的触发方式,就可进行工作。
-
3
BUSY输出:P17为BUSY忙信号输出端,可从上位机软件端设置为播放状态输出为高电平或低电平。高电平时电压接近VDD供电电压。用于接发光二极管做放音状态指示或忙信号判断。
-
4
供电电压:VDD=DC2.8~5.5V,VCC=DC2.8~3.6V。采用DC3.3V供电时,可以直接短接VDD跟VCC,采用DC5V供电时,VDD端接5V,VCC端需要从VDD端串接两个二极管以提供工作电压。
-
5
音频输出:DAC输出方式,利用NPN管将音频信号放大再输出给扬声器。R6为分流电阻,取值270Ω~1.2KΩ,阻值越大则输出声音越大。
END
N588D-18P按键控制DAC输出(接功放)应用电路
-
1
软件设置:按键控制模式。
-
2
控制端口定义:选取控制端口P00、P01、P02、P03作为触发口,在编辑N588D语音工程时,把触发口的按键定义为可触发播放的触发方式,就可进行工作。
-
3
BUSY输出:P17为BUSY忙信号输出端,可从上位机软件端设置为播放状态输出为高电平或低电平。高电平时电压接近VDD供电电压。用于接发光二极管做放音状态指示或忙信号判断。
-
4
供电电压:VDD=DC2.8~5.5V,VCC=DC2.8~3.6V。采用DC3.3V供电时,可以直接短接VDD跟VCC,采用DC5V供电时,VDD端接5V,VCC端需要从VDD端串接两个二极管以提供工作电压。VDD2为功放工作电压。
-
5
音频输出:DAC输出方式,音频信号从PWM+/DAC端输出,经过R6、C6、C9后输出到功放。R6为分流电阻,取值270Ω~1.2KΩ,阻值越大则输出声音越大。
END
N588D-18P一线串口控制PWM输出应用电路
-
1
软件设置:一线串口控制模式。
-
2
控制端口定义:P03为DATA输入脚,由MCU发送数据对N588D进行控制。P00~P02可以当作按键使用。
-
3
BUSY输出:P17为BUSY忙信号输出端,可从上位机软件端设置为播放状态输出为高电平或低电平。高电平时电压接近VDD供电电压。用于接发光二极管做放音状态指示或忙信号判断。
-
4
供电电压:VDD=DC2.8~5.5V,VCC=DC2.8~3.6V。采用DC3.3V供电时,可以直接短接VDD跟VCC,采用DC5V供电时,VDD端接5V,VCC端需要从VDD端串接两个二极管以提供工作电压。VDD1为MCU工作电压。如果VDD1跟VDD存在压差,则需要在MCU跟N588D-18P的通信线DATA上串接电阻。
-
5
音频输出:PWM输出方式,直接接扬声器。此种输出方式下,PWM+、PWM-均不能短接到地或者接电阻电容到地。
END
N588D-18P三线串口PWM输出应用电路
-
1
软件设置:三线串口控制模式。
-
2
控制端口定义:P01为DATA,P02为CS,P03为CLK。由MCU发送信息对N588D进行控制。
-
3
BUSY输出:P17为BUSY忙信号输出端,可从上位机软件端设置为播放状态输出为高电平或低电平。高电平时电压接近VDD供电电压。用于接发光二极管做放音状态指示或忙信号判断。
-
4
供电电压:VDD=DC2.8~5.5V,VCC=DC2.8~3.6V。采用DC3.3V供电时,可以直接短接VDD跟VCC,采用DC5V供电时,VDD端接5V,VCC端需要从VDD端串接两个二极管以提供工作电压。VDD1为MCU工作电压。如果VDD1跟VDD存在压差,需要在MCU跟N588D-18P的通信线DATA、CS、CLK上串接电阻。
-
5
音频输出:PWM输出方式,直接接扬声器。此种输出方式下,PWM+、PWM-均不能短接到地或者接电阻电容到地。
END
文章评论