客户反映车子启动着用手拨动换挡旋钮没有反应
方法/步骤
-
1
验证故障确实存在,车辆启动着后仪表扳手灯亮,显示“参阅手册”,拨动换挡旋钮没有反应。

-
2
用诊断电脑读取故障码显示P0929:00-AF-GSM齿轮换文件锁定电磁阀电路范围/性能。查阅维修手册此故障码的触发条件为:如果 GSM 检测到旋转换档手柄在自动旋转功能期间没有返回停车,则出现此 故障码。
引发此故障的可能原因:
1、蓄电池/充电系统电量耗尽
2、GSM及其线路
3、信号干扰

-
3
首先检查电瓶,用电瓶检测仪检测电瓶显示“优”,存电量82%,正常。电瓶断电10分钟,清除故障码后,启动发动机车辆可以正常行使。于是原地测试,
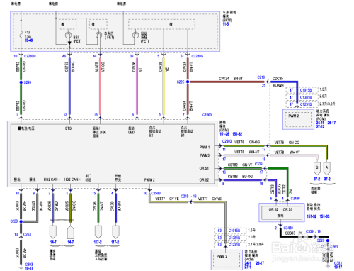
起动发动机;坐在驾驶员座位上,扣好安全带;选择“D”档;打开驾驶员侧车门,换挡器会自动从D档返回至 P档。经过反复几次测试后故障再现,于是对GSM模块进行升级,发现没有最新校准程序。检查此车没有任何电器加装,所以排除信号干扰。按照电路图测量GSM的供电线C2503的1号角为电瓶电压,C2503的9号与18号角对地电阻为0.05Ω,正常。网络测试GSM正常,C2503的5、6和7号角在按动免钥匙按钮时都有信号输入,正常。

-
4
最终只有GSM模块本身,于是将其更换后反复测试,故障未再现。将车辆交付后一周后回访,故障未再现,故障排除。
END
经验内容仅供参考,如果您需解决具体问题(尤其法律、医学等领域),建议您详细咨询相关领域专业人士。
作者声明:本篇经验系本人依照真实经历原创,未经许可,谢绝转载。
展开阅读全部
文章评论