ROLLON是一家引进全新意大利原装技术,集运动控制、数字式步进驱动器、步进电机、伺服系统、交流伺服系统、数字式直流伺服系统、一体式电机、多轴PCI运动控制卡、多轴以太网运动控制器、独立式运动控制器、专用数控系统等数十种运动控制系列产品研发、生产、销售、服务为一体的综合性高新技术企业。广泛应用于电子、机械、测量、激光、医疗、纺织、包装、广告等上百个自动化设备行业中,满足上万家机械设备及工程等领域制造商需求。
工具/原料
-
步进电机
-
尺子,笔,纸
方法/步骤
-
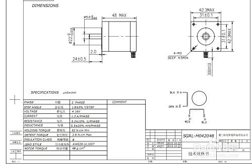
1
热龙步进电机SGRL-M042048尺寸图

-
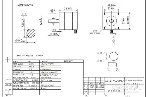
2
热龙步进电机SGRL-MO28033尺寸图

-
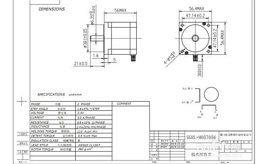
3
热龙步进电机SGRL-M057056尺寸图

-
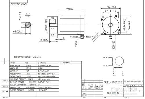
4
热龙步进电机SGRL-M057076尺寸图

-
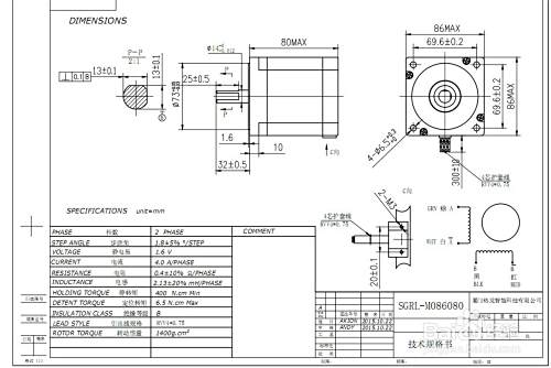
5
热龙步进电机SGRL-MO86080尺寸图

-
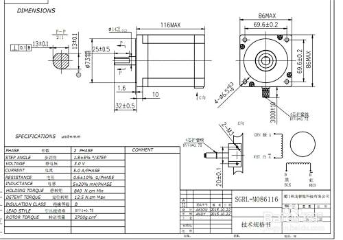
6
热龙步进电机SGRL-MO86116尺寸图
END
经验内容仅供参考,如果您需解决具体问题(尤其法律、医学等领域),建议您详细咨询相关领域专业人士。
展开阅读全部
文章评论