M5576具备低待机功耗和低成本优点,在正常工作下,PWM开关频率处于合理的范围内,在空载或轻载条件下,IC工作在“跳周期模式”来减少开关损耗,从而实现低待机功耗和高转换效率。M5576提供完善的保护功能,包括自动恢复保护、逐周期电流限制(OCP)、过载保护(OLP)、VDD的欠压锁定(UVLO)、过温保护(OTP)和过电压(固定或可调的)保护(OVP),具备抖频功能,改善系统的EMI性能。
方法/步骤
-
1
特点:
■软启动功能,减少功率MOSFET的VDS应力
■跳周期模式控制的改进,提高效率降低待机功耗
■抖频功能,改善系统EMI性能
■消除音频噪声
■65KHz的开关频率
■完善的保护功能
Ø VDD 欠压保护
Ø 逐周的过流阈值设置,恒定输出功率
Ø 自动恢复式过载保护(OLP)
Ø 自动恢复式过温保护(OTP)
Ø 锁定型的VDD 过压保护(OVP)
Ø 锁定型的过温保护(OTP)
Ø 过压保护点OVP通过外部稳压二极管可调
■ 采用SOT-23-6和DIP-8封装
-
2
规格分类

-
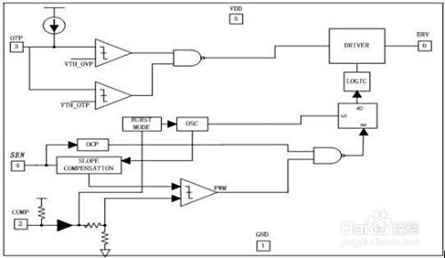
3
内部框架

-
4
应用:
■手机充电器, 上网本充电器
■笔记本适配器
■机顶盒电源
■各种开放式开关电源
-
5
典型应用


-
6
PCB与电路图

END
经验内容仅供参考,如果您需解决具体问题(尤其法律、医学等领域),建议您详细咨询相关领域专业人士。
展开阅读全部
文章评论